產品分類
聯系我們
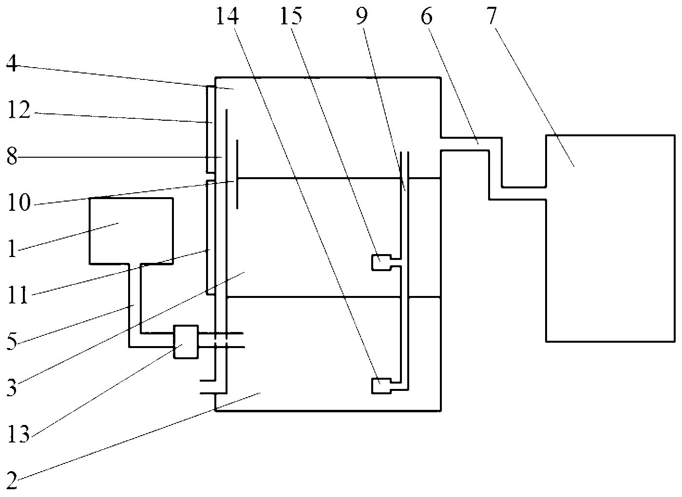
一種家庭水循環污水循環系統,廣大的朋友都很想弄清楚這個問題,中天恒遠環保設備有限公司小編李德馨認真總結整理了相關的內容知識,希望對您有所幫助。
小編整理總結了相關方面的知識及認真聽取了其他同事的說明,為您做以下的介紹。
家庭水污水循環系統
技術人員介紹,該一種家庭廢水循環系統,包括:廢水供應裝置、密閉水箱、進水管道、出水管道和坐便器;所述廢水供應裝置通過所述進水管道與所述密閉水箱連接,所述密閉水箱通過所述出水管道與所述坐便器連接;所述密閉水箱的高度高于所述坐便器的高度。本實用新型提供的一種家庭廢水循環系統,生活廢水經過進水管道儲存至密閉水箱內。密閉水箱通過出水管道與坐便器連接,密閉水箱的高度高于坐便器的高度。故儲存在密閉水箱中的生活廢水依靠自身重力流入坐便器中,用于沖刷坐便器。故生活廢水有效的得到了再利用,降低了大量水資源的浪費。

小編點評:
了解更多污水處理,水處理方面的知識,需要不斷學習,不斷積累,小編一直認真努力更新相關的知識,希望對您有所幫助。
一種家庭水循環污水循環系統就介紹到這里了,感謝您閱讀本文,如果想了解更多,請持續關注我們的網站。