產品分類
聯系我們
一種火電廠水處理系統,廣大的用戶朋友都想弄明白這個事情,中天恒遠環保設備有限公司小編李德馨認真總結整理了相關的內容知識,希望對您有所幫助。

一,火電廠水處理系統簡介
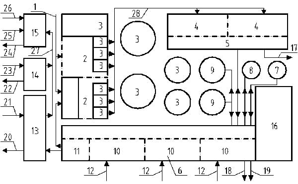
技術人員說明,該火電廠水處理系統包括:再生水處理設備,其與再生水和設備間連,鍋爐補給水和熱網補充水處理設備與再生水處理設備連;排水泵房,其與來水、污水廠和排水網連;生活污水處理設備,其與生活污水、用戶和排水泵房連;污水處理站,其與含煤廢水、用戶和排水泵房連;綜合水泵房,其與再生水處理設備和設備間連;配電控制室,其內的設備與再生水處理設備、排水泵房、生活污水處理設備、污水處理站、鍋爐補給水、熱網補充水、工業廢水處理設備間和綜合水泵房電連接。
二,火電廠水處理系統優勢
1,把多個系統設備集中并且合并布置,設備廠房及部分設備地下設置水池,將常規的分散式布置改為集中布置,節約了占地面積;
2,部分設備得到共用,縮短了各系統之間的連接管道,減少運行人員的巡檢時間,降低了投資成本和運行成本,便于火電廠的統一管理。
小編寄語:
沒有人是一帆風順的,在做一件事情中總是充滿挑戰和艱難,不過這樣人生才更有意義,學習水處理知識也是如此,堅持努力,總有一天您會掌握的更好更全面。
一種火電廠水處理系統就介紹到這里了,感謝您閱讀本文,如果想了解更多,請持續關注我們的網站。